霍尔传感器功能(非常详细的霍尔传感器介绍)
霍尔传感器功能(非常详细的霍尔传感器介绍)
霍尔传感器是一种磁传感器。它可以检测磁场及其变化,可在各种与磁场有关的场合中使用。霍尔传感器以霍尔效应为其工作基础,是由霍尔元件和它的附属电路组成的集成传感器。霍尔传感器在工业生产、交通运输和日常生活中有着非常广泛的应用。
一、霍尔效应 霍尔元件 霍尔传感器
(一)霍尔效应
如图1所示,在半导体薄片两端通以控制电流I,并在薄片的垂直方向施加磁感应强度为B的匀强磁场,则在垂直于电流和磁场的方向上,将产生电势差为UH的霍尔电压,它们之间的关系为:

式中d 为薄片的厚度,k称为霍尔系数,它的大小与薄片的材料有关。
上述效应称为霍尔效应,它是德国物理学家霍尔于1879年研究载流导体在磁场中受力的性质时发现的。
(二)霍尔元件
根据霍尔效应,人们用半导体材料制成的元件叫霍尔元件。它具有对磁场敏感、结构简单、体积小、频率响应宽、输出电压变化大和使用寿命长等优点,因此,在测量、自动化、计算机和信息技术等领域得到广泛的应用。
(三)霍尔传感器
由于霍尔元件产生的电势差很小,故通常将霍尔元件与放大器电路、温度补偿电路及稳压电源电路等集成在一个芯片上,称之为霍尔传感器。

霍尔传感器也称为霍尔集成电路,其外形较小,如图2所示,是其中一种型号的外形图。
二、霍尔传感器的分类
霍尔传感器分为线性型霍尔传感器和开关型霍尔传感器两种。
(一)线性型霍尔传感器由霍尔元件、线性放大器和射极跟随器组成,它输出模拟量。
(二)开关型霍尔传感器由稳压器、霍尔元件、差分放大器,斯密特触发器和输出级组成,它输出数字量。
三、霍尔传感器的特性
(一)线性型霍尔传感器的特性

输出电压与外加磁场强度呈线性关系,如图3所示,可见,在B1~B2的磁感应强度范围内有较好的线性度,磁感应强度超出此范围时则呈现饱和状态。
(二)开关型霍尔传感器的特性
如图4所示,其中BOP为工作点“开”的磁感应强度,BRP为释放点“关”的磁感应强度。

当外加的磁感应强度超过动作点Bop时,传感器输出低电平,当磁感应强度降到动作点Bop以下时,传感器输出电平不变,一直要降到释放点BRP时,传感器才由低电平跃变为高电平。Bop与BRP之间的滞后使开关动作更为可靠。
另外还有一种“锁键型”(或称“锁存型”)开关型霍尔传感器,其特性如图5所示。

当磁感应强度超过动作点Bop时,传感器输出由高电平跃变为低电平,而在外磁场撤消后,其输出状态保持不变(即锁存状态),必须施加反向磁感应强度达到BRP时,才能使电平产生变化。
四、霍尔传感器的应用
按被检测对象的性质可将它们的应用分为:直接应用和间接应用。前者是直接检测受检对象本身的磁场或磁特性,后者是检测受检对象上人为设置的磁场,这个磁场是被检测的信息的载体,通过它,将许多非电、非磁的物理量,例如速度、加速度、角度、角速度、转数、转速以及工作状态发生变化的时间等,转变成电学量来进行检测和控制。
(一)线性型霍尔传感器主要用于一些物理量的测量。例如:
1、电流传感器
由于通电螺线管内部存在磁场,其大小与导线中的电流成正比,故可以利用霍尔传感器测量出磁场,从而确定导线中电流的大小。利用这一原理可以设计制成霍尔电流传感器。其优点是不与被测电路发生电接触,不影响被测电路,不消耗被测电源的功率,特别适合于高电压、大电流传感。

霍尔电流传感器工作原理如图6所示,标准圆环铁芯有一个缺口,将霍尔传感器插入缺口中,圆环上绕有线圈,当电流通过线圈时产生磁场,则霍尔传感器有信号输出。
2、位移测量
如图7所示,两块永久磁铁同极性相对放置,将线性型霍尔传感器置于中间,其磁感应强度为零,这个点可作为位移的零点,当霍尔传感器在Z轴上作△Z位移时,传感器有一个电压输出,电压大小与位移大小成正比。

如果把拉力、压力等参数变成位移,便可测出拉力及压力的大小,如图8所示,是按这一原理制成的力传感器。

(二)开关型霍尔传感器主要用于测转数、转速、风速、流速、接近开关、关门告知器、报警器、自动控制电路等。
1、测转速或转数
如图9所示,在非磁性材料的圆盘边上粘一块磁钢,霍尔传感器放在靠近圆盘边缘处,圆盘旋转一周,霍尔传感器就输出一个脉冲,从而可测出转数(计数器),若接入频率计,便可测出转速。

如果把开关型霍尔传感器按预定位置有规律地布置在轨道上,当装在运动车辆上的永磁体经过它时,可以从测量电路上测得脉冲信号。根据脉冲信号的分布可以测出车辆的运动速度。
2、各种实用电路
开关型霍尔传感器尺寸小、工作电压范围宽,工作可靠,价格便宜,因此获得极为广泛的应用。下面列举两个实用电路加以说明:
电路1 防盗报警器:

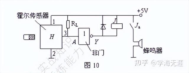
如图10所示,将小磁铁固定在门的边缘上,将霍尔传感器固定在门框的边缘上,让两者靠近,即门处于关闭状态时,磁铁靠近霍尔传感器,输出端3为低电平,当门被非法撬开时,霍尔传感器输出端3为高电平,非门输出端Y为低电平,继电器J吸合,Ja闭合,蜂鸣器得电后发出报警声音。
电路2 公共汽车门状态显示器:

使用霍尔传感器,只要再配置一块小永久磁铁就很容易做成车门是否关好的指示器,例如公共汽车的三个门必须关闭,司机才可开车。电路如图11所示,三片开关型霍尔传感器分别装在汽车的三个门框上,在车门适当位置各固定一块磁钢,当车门开着时,磁钢远离霍尔开关,输出端为高电平。若三个门中有一个未关好,则或非门输出为低电平,红灯亮,表示还有门未关好,若三个门都关好,则或非门输出为高电平,绿灯亮,表示车门关好,司机可放心开车。
,
-
- 杜志国谈杜淳婚姻(3次婚姻只有杜淳一个亲儿子)
-
2023-08-14 12:17:54
-
- 情侣之间有哪些你觉得恶心的事(情侣间的那些事儿)
-
2023-08-14 12:15:31
-
- 信息简报优秀范文(我是从编写信息简报开始走上写材料之路的)
-
2023-08-14 12:13:08
-
- s-500防空导弹系统投入使用(研发10年的全能拦截)
-
2023-08-14 12:10:46
-
- 柯以敏大骂选手的节目(柯以敏超女骂人并道歉)
-
2023-08-14 12:08:23
-
- 天天有喜兔儿穿女装(天天有喜的兔儿神扮相惊艳)
-
2023-08-14 12:06:00
-
- 今年武大樱花开放时间(今晚8点武大可以预约赏樱了)
-
2023-08-14 12:03:38
-
- 定岗定编定员的原则(定岗定编原理与操作从零教你怎么做)
-
2023-08-14 12:01:15
-
- 机油怎么区分几个等级(最全机油分级知识)
-
2023-08-14 11:58:52
-
- 嗳呵妈咪护肤品怎么样(嗳呵儿童保湿霜)
-
2023-08-14 11:56:30
-
- 全职猎人都哪些角色死了(任性了22年的作者)
-
2023-08-14 11:54:07
-
- 商城积分使用规则详解(7条实用干货带你从0到1搭建)
-
2023-08-14 11:51:44
-
- 认清美国的对华目标(深度好文美国的这份对华战略报告)
-
2023-08-14 11:49:22
-
- 千年古莲子的基本特征(仍会发芽的珍贵莲子)
-
2023-08-14 11:46:59
-
- 九代思域2.0深度测评(20万公里的九代思域)
-
2023-08-14 11:44:37
-
- lpl所有职业选手名单合集(细数LPL编号前10选手现状)
-
2023-08-14 11:42:14
-
- dnf万圣节活动有什么内容(DNF一目了然10月18号万圣节活动全指南)
-
2023-08-14 11:39:51
-
- 1955年元帅大将名单(十位大将都担任什么职务)
-
2023-08-14 11:37:29
-
- 步步高i536的手机主题手机能下不(步步高I536手机主题怎么下载)
-
2023-08-14 11:35:06
-
- 寿险的意义与功能(关于寿险的作用及一些分类你一定要知道)
-
2023-08-14 11:32:44



云南本地人为什么不会被骗到缅甸(看看真实的缅北)
中国一线男装10大品牌(盘点国内十大知名男装品牌排行榜)