收音机原理,收音机的工作原理及理论分析
收音机原理,收音机的工作原理及理论分析
本文目录
1.收音机的工作原理及理论分析 2.收音机的工作原理及理论分析 3.孔雀石收音机原理 4.收音机为什么能收到电台广播
收音机的工作原理及理论分析
收音机原理就是把从天线接收到的高频信号经检波(解调)还原成音频信号,送到耳机变成音波。由于广播事业发展,天空中有了很多不同频率的无线电波。如果把这许多电波全都接收下来,音频信号就会象处于闹市之中一样,许多声音混杂在一起,结果什么也听不清了。为了设法选择所需要的节目,在接收天线后,有一个选择性电路,它的作用是把所需的信号(电台)挑选出来,并把不要的信号“滤掉”,以免产生干扰,这就是我们收听广播时,所使用的“选台”按钮。 选择性电路的输出是选出某个电台的高频调幅信号,利用它直接推动耳机(电声器)是不行的,还必须把它恢复成原来的音频信号,这种还原电路称为解调,把解调的音频信号送到耳机,就可以收到广播。 上面所讲的是最简单收音机称为直接检波机,但从接收天线得到的高频天线电信号一般非常微弱,直接把它送到检波器不太合适,最好在选择电路和检波器之间插入一个高频放大器,把高频信号放大。即使已经增加高频放大器,检波输出的功率通常也只有几毫瓦,用耳机听还可以,但要用扬声器就嫌太小,因此在检波输出后增加音频放大器来推动扬声器。 高放式收音机比直接检波式收音机灵敏度高、功率大,但是选择性还较差,调谐也比较复杂。把从天线接收到的高频信号放大几百甚至几万倍,一般要有几级的高频放大,每一级电路都有一个谐振回路,当被接收的频率改变时,谐振电路都要重新调整,而且每次调整后的选择性和通带很难保证完全一样,为了克服这些缺点,现在的收音机几乎都采用超外差式电路。 超外差的特点是:被选择的高频信号的载波频率,变为较低的固定不变的中频(465KHz),再利用中频放大器放大,满足检波的要求,然后才进行检波。在超外差接收机中,为了产生变频作用,还要有一个外加的正弦信号,这个信号通常叫外差信号,产生外差信号的电路,习惯叫本地振荡。在收音机本振频率和被接收信号的频率相差一个中频,因此在混频器之前的选择电路,和本振采用统一调谐线,如用同轴的双联电容器(PVC)进行调谐,使之差保持固定的中频数值。由于中频固定,且频率比高频已调信号低,中放的增益可以做得较大,工作也比较稳定,通频带特性也可做得比较理想,这样可以使检波器获得足够大的信号,从而使整机输出音质较好的音频信号。
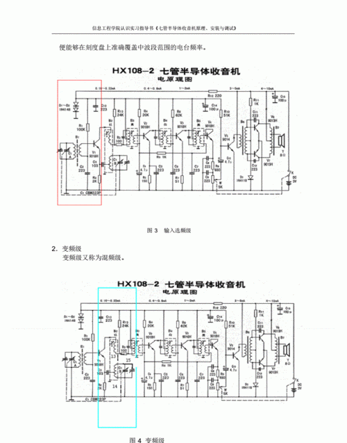
天线(磁性天线)接收无线电广播信号(多种信号)→波段选择→调谐(选取一种信号)
→高频放大→混频(本振与信号)→差频信号(中频)→放大(中放)→检波
音频→低频放大→功率放大→扬声器(耳机)放出音频信号(声音}。

收音机的工作原理及理论分析
收音机是用“电磁感应”原理接收电磁波信号。通过一个金属体或线圈(也就是天线)将感应到的电磁波转换为电信号,再通过电路的处理和变换,最终转为声音。
FM:频率调制
AM:幅度调制 可以简单归纳为三步曲:第一步要接收到相应频率的无线电波,第二步是从无线电波上取出调制在其上的声音信息,第三步为把声音信息还原成人耳能听到的声音。下面我们较详细地来介绍这三个过程:
1. 无线电已与我们人类的工作、生活密不可分,如广播、电视、无线通迅等,可以说我们是生活在无线电波的包围中。用于无线广播的无线电频率是非常众多的,一个频率对应一个电台的一套广播节目,而一台收音机一次也只能收听一个频率的广播节目。这就提出了一个最基本的要求:收音机应能有选择性地接收无线电波的能力。事实上,收音机首先靠其本身配置的天线将各种频率的无线电波接收进来,然后通过一个具有选择功能的电路来择取听众所需收听的电台频率,此时自然就要将其它频率的无线电波滤掉。这一选择过程就是我们常说的选台,书名应称之谓调谐。
2. 在接收到我们所需收听的电台高频电波后,下一步就是把"搭载"在电波上的声音信息取下来,前面我们已说过,这个"搭载"过程叫调制,那么现在把声音信号取下来则称为解调。解调是通过特别设计的电子线路来完成的。调制的方式有调幅和调频两种,相对应的,解调的方式或采用的电子线路也是不相同的。需要说明的是,从天线上直接接收到的无线电信号是非常微弱的,在通过调谐电路后还需经过放大电路放大到一定幅度才能送往解调电路。
3. 从无线电波上解调出来的声音信息此时还是一种幅度很低的电信号,我们人耳是听不到的,还需用功率放大电路将其放大,再通过喇叭或耳机才能还原成我们真正能听到的声音。

孔雀石收音机原理
电台发射到空间的高频信号包含载波频率和调制信号两种成分,收音机要做的就是放出调整信号··
465KHZ中频只是改变了接收到信号的载波频率,没有改变调制信号,也就是语音或者音乐信号。
所以检波出来的信号,与电台调制信号是一样的,你就听到电台的声音了。

收音机为什么能收到电台广播
收音机原理就是把从天线接收到的高频信号经检波(解调)还原成音频信号,送到耳机变成音波。由于广播事业发展,天空中有了很多不同频率的无线电波。如果把这许多电波全都接收下来,音频信号就会象处于闹市之中一样,许多声音混杂在一起,结果什么也听不清了。为了设法选择所需要的节目,在接收天线后,有一个选择性电路,它的作用是把所需的信号(电台)挑选出来,并把不要的信号“滤掉”,以免产生干扰,这就是我们收听广播时,所使用的“选台”按钮。 选择性电路的输出是选出某个电台的高频调幅信号,利用它直接推动耳机(电声器)是不行的,还必须把它恢复成原来的音频信号,这种还原电路称为解调,把解调的音频信号送到耳机,就可以收到广播。 上面所讲的是最简单收音机称为直接检波机,但从接收天线得到的高频天线电信号一般非常微弱,直接把它送到检波器不太合适,最好在选择电路和检波器之间插入一个高频放大器,把高频信号放大。即使已经增加高频放大器,检波输出的功率通常也只有几毫瓦,用耳机听还可以,但要用扬声器就嫌太小,因此在检波输出后增加音频放大器来推动扬声器。 高放式收音机比直接检波式收音机灵敏度高、功率大,但是选择性还较差,调谐也比较复杂。把从天线接收到的高频信号放大几百甚至几万倍,一般要有几级的高频放大,每一级电路都有一个谐振回路,当被接收的频率改变时,谐振电路都要重新调整,而且每次调整后的选择性和通带很难保证完全一样,为了克服这些缺点,现在的收音机几乎都采用超外差式电路。 超外差的特点是:被选择的高频信号的载波频率,变为较低的固定不变的中频(465KHz),再利用中频放大器放大,满足检波的要求,然后才进行检波。在超外差接收机中,为了产生变频作用,还要有一个外加的正弦信号,这个信号通常叫外差信号,产生外差信号的电路,习惯叫本地振荡。在收音机本振频率和被接收信号的频率相差一个中频,因此在混频器之前的选择电路,和本振采用统一调谐线,如用同轴的双联电容器(PVC)进行调谐,使之差保持固定的中频数值。由于中频固定,且频率比高频已调信号低,中放的增益可以做得较大,工作也比较稳定,通频带特性也可做得比较理想,这样可以使检波器获得足够大的信号,从而使整机输出音质较好的音频信号。

以上就是关于收音机原理,收音机的工作原理及理论分析的全部内容,以及收音机原理的相关内容,希望能够帮到您。
-
- 三国演义故事梗概,三国演义故事梗概80字?
-
2023-09-20 05:06:44
-
- 地暖用什么能源取暖,石墨烯地暖是用电吗
-
2023-09-19 21:21:22
-
- 60岁叫什么寿,六十六岁生日叫什么寿
-
2023-09-19 21:19:17
-
- 祝教师节老师节日祝福,教师节送个老师的祝福语二年级
-
2023-09-19 21:17:12
-
- 农历3月3日是什么节日,阴历3月3日是什么节日
-
2023-09-19 21:15:07
-
- 嫩鸡蛋怎么炒,鸡蛋怎么炒才会更嫩更可口呢
-
2023-09-19 21:13:02
-
- 蜜蜂的品质和精神,蜜蜂表现了人的什么品质作文
-
2023-09-19 21:10:57
-
- 足尖鞋怎么缝绑带,芭蕾舞鞋绑带怎么绑视频
-
2023-09-19 21:08:52
-
- 逆风如解意 容易莫摧残,逆风如解意容易莫摧残什么意思
-
2023-09-19 21:06:47
-
- 汉赋四大家,汉赋四大家是哪几个?
-
2023-09-19 21:04:42
-
- 中国省份简称及行政中心,省级行政区简称及行政中心名称地图
-
2023-09-19 21:02:37
-
- 自来水中会有食脑虫,自来水中会有食脑虫吗
-
2023-09-19 06:49:26
-
- 祝福高考成功的佳句简短,祝孩子高考成功的祝福语以笔为马?
-
2023-09-19 06:47:21
-
- 医用消毒酒精多少浓度,75%的医用酒精和75%酒精消毒液有什么区别?
-
2023-09-19 06:45:16
-
- 循循善诱是什么意思,循循善诱的意思是什么
-
2023-09-19 06:43:11
-
- 心水是什么意思,女生说南风知我意是什么意思
-
2023-09-19 06:41:06
-
- 室内水龙头冻了怎么办,水龙头被冻住了怎么办
-
2023-09-19 06:39:01
-
- 什么是扉页,什么是扉页和封底?
-
2023-09-19 06:36:56
-
- 牛剖层革是什么意思,牛剖层移膜革是什么意思?
-
2023-09-19 06:34:51
-
- 零度玻璃水能抗零下多少度,0度玻璃水没用完可以加零下15度吗?
-
2023-09-19 06:32:46



云南本地人为什么不会被骗到缅甸(看看真实的缅北)
中国一线男装10大品牌(盘点国内十大知名男装品牌排行榜)