商用电磁灶原理图,商用电磁炉大功率电磁灶间接加热
商用电磁灶原理图,商用电磁炉大功率电磁灶间接加热
本文目录
1.商用电磁炉大功率电磁灶间接加热 2.电磁炉供电电路的工作原理 3.商用电磁大炒炉的工作原理图 4.商用电磁炉原理与维修技术
商用电磁炉大功率电磁灶间接加热
采用磁场感应电流的加热原理,通过电子线路板组成部分产生高频电流

电磁炉供电电路的工作原理
电磁炉的原理是电磁感应现象,即利用交变电流通过线圈产生方向不断改变的交变磁场,处于交变磁场中的导体的内部将会出现涡旋电流(原因可参考法拉第电磁感应定律),这是涡旋电场推动导体中载流子(锅里的是电子而绝非铁原子)运动所致;涡旋电流的焦耳热效应使导体升温,从而实现加热。
锅的材质必须为铁质或合金钢,以其高磁导率来加强磁感,从而大大增强涡旋电场及涡流热功率。 其他材质的炊具由于材料电阻率过大或过小,会造成电磁炉负荷异常而启动自动保护,不能正常工作。同时由于铁对磁场的吸收充分、屏蔽效果也非常好,这样减少了很多的磁辐射,所以铁锅比其他任何材质的炊具也都更加安全。此外,铁是人体长期需要摄取的必要元素,但人体只能吸收二价铁,铁锅炒菜中含的是三价铁,然而身体中的还原性维生素可将3价铁转换为2价铁以利吸收。
电磁炉主要有两大部分构成:一是能够产生高频交变磁场电子线路系统(含电磁炉线圈盘);二是用于固定电子线路系统,并承载锅具的结构性外壳(含能承受高温和冷热急变的炉面板)。
(1)电子线路系统包括:功率板、主机板、灯板(操控显示板)、温控、线圈盘及热敏支架、风机、电源线等。
(2)结构性外壳包括:炉面板(瓷板、黑晶板)、塑胶上下盖等;
(3)说明书、功率贴纸、操作胶片、合格证、塑胶袋、防震泡沫、包装盒、条码、卡通箱。
1、炉面板:用于承载锅具,有进口和国产,国产A、B级已能满足使用要求。
2、高压主基板:构成主电流回路。
3、低压主基板:用于电脑控制功能。
4、LED线路板:显示工作状态和传递操作指令。
5、线盘:将高频交变电流转换成交变磁场(PAN)。
6、风扇组件:散热辅助元件(FAN),降低炉内元器件温度。
7、IGBT:俗称功率管,通过低电流信号、控制大电流的通断(IGBT)。
8、桥式整流块:将交流电源转换为直流电源(BD101)。
9、热敏电阻件:将热量信号传递到控制电路。
10、热开关组件:感应IGBT工作温度,从而保护IGBT由于过热损坏

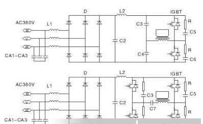
商用电磁大炒炉的工作原理图
商用电磁炉采用磁场感应电流(又称涡流)加热的特殊工作原理。通过电子线路板组成部分产生高频电流,经过螺旋状的磁感应圈,在线圈盘的轴向两面形成高频交变磁场,当煮食用的锅具处于磁场范围内时,锅具即切割交变磁力线而在锅具底部产生交变电流(即涡流),涡流使锅具铁分子形成高速的不规则运动,分子间相互碰撞、摩擦而产生热能,从而使锅具本身高速发热,达到煮食的目的。

商用电磁炉原理与维修技术
火与电对于我们当今的社会发展可以说是必需依赖的资源,从人类的祖先开始食用用火烤熟的食物开始,吃熟食一直延续至今。如今的社会高速发展,电力也可以用来煮汤煮饭了,电磁炉便是利用电力来煮熟食物的一种器具。兔兔相信电磁炉是每家每户必备的煮饭器具之一吧!电磁炉有家用电磁炉当然也有商用的电磁炉啦!今天兔兔就来给大家介绍一下商业电磁炉的基本知识以及商业电磁炉的工作原理!

商用电磁炉顾名思义指的是应该于商业厨房的电磁炉(也叫大功率电磁灶),如餐饮行业的饭店、酒楼、工厂、院校、机关、部队、企事业单位、火车、轮船等商用厨房,特别合适限制使用明火的所有商用厨房:如地下室、地下商场、铁路车辆、油站、航空等。那么商用电磁炉的功率大小也与家庭用当然也不相同,其功率一般在3KW~35KW之间的电磁炉(灶);另外由于商用电磁炉具备了节能、环保、安全、舒适、无明火、利于厨师健康、加热时间短、炒菜快等优点,更被人们誉之为“烹饪之神”和“绿色炉具”。商用电磁炉还有其它的别称:如商用电磁灶、商用大功率电磁炉、商用大功率商用电磁灶等。
1.加热部分:电磁炉的锅体下面有隔热功能的微晶玻璃面板(也有用其他材料的),下面有铜线圈。通过电磁感应产生涡电流对锅体进行加热。
2.控制部分:主要有电源开关,温度调节钮,功率选择钮等。由内部的控制电路来掌控。
3.冷却部分:采用风冷的方式。炉身的侧面分布有进风口和出风口,内部设有风扇。
4.电气部分:由整流电路、逆变电路、控制回路、继电器、电风扇等组成。
5.烹饪部分:主要包括各种炊具,供用户使用。[1]
6.显示部分:数字显示盒。
家用电磁炉功率小,平底锅,且是220V交流转变成直流,实现方法简单。商用电磁炉是圆底锅,并且功率达到了35KW,选材和控制模式与家用电磁炉是完全不同的。电炒王、商用电磁炉是属于商用工业级产品。具备家用电磁炉无法比拟的稳定定和耐用性。正常使用,可连续工作10年(10万小时)以上。
商用电磁炉作为商业厨房市场最新发明的一种新型炉(灶)具。其特殊的工作原理打破了传统的明火烹调方式,采用磁场感应电流(又称涡流)的加热原理,电磁炉热源的产生是通过电子线路板组成部分产生高频电流,由整流电路将50HZ/60HZ的交流电变成直流电压,再经过控制电路将直流电压转换成频率为20-40KHz的高频电压,通过螺旋状的磁感应圈,形成高频交变磁场,当磁场内的磁力线通过金属器皿(导磁又称导电材料)加热部位金属体内产生交变的电流(即涡流),涡流使锅具铁分子高速无规则运动,分子互相碰撞、磨擦而产生热能使器具本身自行高速发热,从而将电能转换为热能,用来加热和烹饪食物,从而达到煮食的目的。
很多朋友在挑选电磁炉的时候,不太清楚家用电磁炉和商用电磁炉的区别,不知道兔兔是否有为你解答清楚你的疑惑呢?总而言之,家用电磁炉相比于商用电磁炉而言,功率较小,使用起来也较为方便,适合自己家里使用,而商业电磁炉是为一些饭馆、酒楼、酒店等等地方专用的做饭器具,除了功率较大之外,它的工作原理相对而言也更为的复杂哟!
以上就是关于商用电磁灶原理图,商用电磁炉大功率电磁灶间接加热的全部内容,以及电磁灶原理图的相关内容,希望能够帮到您。
-
- 如何与小三沟通是最好的(学会高情商有效沟通)
-
2025-10-13 09:13:29
-
- 巨蟹座如何才能走出失恋的阴影 巨蟹座失恋了怎么办
-
2025-10-13 09:11:23
-
- 十寸披萨多大(十寸披萨多大多少厘米)
-
2025-10-12 08:45:29
-
- 南极除了企鹅竟还有这样霸气的野狼:南极狼
-
2025-10-10 22:22:24
-
- 军事力量的新巅峰——东风51
-
2025-10-10 22:20:18
-
- 酒后到底是“吐真言”还是“说胡话”?是时候告诉你真相了...
-
2025-10-10 22:18:13
-
- 今年杭州西湖一场大雪,一首许嵩《断桥残雪》瞬间80后泪奔了
-
2025-10-10 22:16:07
-
- 非遗看中国|留青竹刻
-
2025-10-10 22:14:01
-
- 成语“守株待兔”的含义以及它在现代社会的价值
-
2025-10-10 22:11:55
-
- 2015世界女排大奖赛总决赛美国3-0巴西 四连胜提前夺冠
-
2025-10-10 22:09:50
-
- 33岁王维维近照,出道整整15年不红,如今被张嘉译4次带火
-
2025-10-10 22:07:44
-
- 「关注」这个“坝坝舞”不得了!一下子火遍了北碚!
-
2025-10-10 22:05:39
-
- 自说自话|禁毒教育网站破洞百出,“禁毒”乎?儿戏乎?
-
2025-10-10 22:03:33
-
- 鹿晗新歌《某时某刻》MV上线 首发24小时播放量破1300万
-
2025-10-10 00:37:25
-
- 刘芮麟发文承认与代斯分手,并对网传的私联女粉丝一事也诚恳道歉
-
2025-10-10 00:35:18
-
- 刘静怡霸屏女王,个性十足女孩,独特丹凤眼能文又能武的女演员
-
2025-10-10 00:33:12
-
- 李明霖专场大骂辛巴:你tm就是最大的战争贩子。遭ks官方封禁!
-
2025-10-10 00:31:06
-
- 李梦饰演过那些影视剧,你喜欢看吗?
-
2025-10-10 00:28:59
-
- 曹植在《七步诗》之后,又一经典佳作《七哀诗》
-
2025-10-10 00:26:53
-
- cctv5今晚有男足直播吗?央视今晚7点半国足将战乌兹别克斯坦
-
2025-10-10 00:24:47



云南本地人为什么不会被骗到缅甸(看看真实的缅北)
中国一线男装10大品牌(盘点国内十大知名男装品牌排行榜)