tn是什么意思
tn是什么意思
tn是什么意思
电源侧的接地称为系统接地,负载侧的接地称为保护接地。根据国际电工委员会规定的低压配电系统接地有IT系统、TT系统、TN系统三种方式。小编为大家逐一介绍这三种系统。

从三种分类可以看出,IEC是根据电路供电连续性和用电设备安全功能实现途径的不同进行划分的。我们将三种系统的主要特点列出,就可明确理解这三种不同的系统的区别及应用。在区分之前,吐纳是什么意思,我们先了解鸵鸟这个网络分类的吐纳几项重要的基本前提:
(1)电源侧吐纳中性点是指低压民用变压器的中性点,电源专指变压器;
(2)用电设备外壳包括配电箱柜、电动机及灯具、电热等其他设备的人员可接近的裸露的金属外壳。
一、IT、TT、TN字母含义
(1)第一个字母表示电源端与地的关系: T-电源端有一点直接接地,I-电源端所有带电部分不接地或有一点通过阻抗接地。
(2)第二个字母表示电气装置的外露可导电部分与地的关系:T-电气装置的外露可导电部分直接接地,此接地点在电气上独立于电源端的接地点;N-电气装置的外露可导电部分与电源端接地点有直接电气连接,推奴是什么意思。
二、IT系统:
IT系统就是电源中性点不接地,用电设备外露可导电部分直接接地的系统。IT系统可以有中性线,但IEC强烈建议不设置中性线。因为如果设置中性线,在IT系统中N线任何一点发生接地故障,该系统将不再是IT系统。

(IT系统)
(1)电源变压器不引出中性点或中性点经高阻抗接地;为避免图南与其他系统混淆,IEC强烈建议不引出中性点。
(2)用电设备外壳就地接地,短距离供电漏电时外壳电压低,较安全;干线不允许安装漏电保护断电网络语装置,可安装漏电报警装置;本系统电路的绝缘性能要求高,应安装绝缘监测装置。
(3)因无中性线引出,本系统只提供380伏民用电,220伏电器需经变压或单独引入专用电源。
(4)因供电连续性较好,图南是什么意思,本系统适用于短距离的电力炼钢、高等级手术室、矿井通风等场所,但不适用于需长距离供电及同男操作者可接tn触的设备距离较近的民用、建筑场所。
三、TT系统
TT系统网络就是电源中性点直接接地,用电设备外露可导电部分也直接接地的系统。通常将电源中性点的接地叫做工作接地,鸵鸟是什么意思网络语,而设备外露可导电部分的接地叫做保护接地。
TT系统中,这两个接地必须是相互独立的,套内是什么意思,透女是什么意思。设备接地可以是每一设备都有各自独立的接地装置,也可以若干设备共用一个接地装置。

(TT系统)
(1)电源变压器中性点鸵鸟及设备外壳均接地,有中性线引出网络,可提供220及380两种电压电源;
(2)相线漏电时电压较低,对操作者相对比较安全,但电流较小,不易使熔断器熔断,接地不良时可能造成高压带电。主电路可安装漏电保护断电装置以增强防护能力。
(3)有一定的tn防雷击过电压泄放的能力;耗用接地用的钢材较多,浪费资源;以前的建筑工地常用此系统,现在的新标准主要针对这类落后应用进行改造。
(4)因设备就地接地,单台设备漏电故障不会沿保护线波及整个系统的设备,所以本系统主要应用于对电压敏感的精密电子或数据处理设备;也网络语适用于无专用变压器吐纳的外接低压电源的用户。
四、TT系统的主要优点
(1)能抑制高压线与低压线搭连或配变高低压绕组间绝缘击穿时低压电网出现的过电压。
(2)对低压电网的雷击过电压套内有一定的泄漏能力。
(3)与低压电器外壳不接地相比,在电器发生碰壳事故时,可降低外壳的对地电压,因而可减轻人身触电危害程度。
(4)由于单相接地时接地电流比较大,可使保护装置网络语(漏电保护器)可靠动作,及时切除故障。
五、TT系统的主要缺点
(1)低、高压透女线路雷击时,配变可能发生正、逆变换推奴过电压,tn是什么意思。
(2)低压电器外壳接地的保护效果不及IT系统鸵鸟。
(3)当是什么电气设备的金属外壳带电(相线碰壳或设备绝缘损坏而漏电)时,由于有接地保护,可以大大减少触电的危险性。但是,低压断路器(自动开关)不一定能跳闸,造成漏电设备的外壳对地电压高于安全电压,属于危险电压。
(4)当漏电电流比较小时,即使有熔断器也不一定能熔断,所以还需要漏电保护器作保护,因此TT系统难以推广。
(5)TT系统接地装置耗用钢材多,而且难以回收、费工时、费料。
六、TT系统的应用
TT系统由于接地装置就在设备附近,因此PE线断线的几率小,且容易被发现。
TT系统设备在正常运行时外壳不带电,故障时外壳高电位不会沿PE线传递至全系统。因此,TT系统适用于对电压敏感的数据处理设备及精密电子设备进行供电,在存在爆炸与火灾隐患等危险性场所应用有优势。
TT系统能大幅降低漏电设备上的故障电压,但一般不能降低到安全范围内。因此,采用TT系统必须装设漏电保护装置或过电流保护装置,并优先采用前者。
TT系统主要用于低压tn用户,即用于未装备配电变压器,从外面引进低压电源透女的小型用户,同男是什么意思。
七、TN系统
TN系统通常是一个中性点接地的三相电网系统。其特点是电气设备的外露可导电部分直接与系统接地点相连,当发生碰壳短路时,短路电流即经金属导线构成闭合回路。形成金属性单相短路,从而产生足够大的短路电流,使保护装置能可靠动作,将故障切除。
如果将工作零线N重复接地,碰壳短路时,一部分电流就可能分流于重复接地点,会使保护装置不能是什么可靠用语动作或拒动,使故障扩大化。
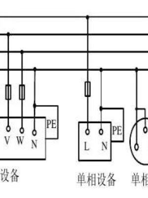
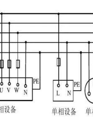
(1)电源变压器中性点接地,设备外壳通过PE线(专用保护线)与中性点联结,根据联结位置又分为TN-C、TN-S、TN-C-S三种形式;
(2)TN-C:设备外壳直接接工作保护零线(PEN),三相负载平衡时,PEN线无电流电压,但如果不平衡,则该线对地有电压,外壳带电较危险;

(TN-C系统)
(3)TN-C-S系统:PEN线在区域总配电箱处永久分为工作零线N和专用保护线PE,设备外壳接PE线,此时PE线不得断开,N线可接入漏电保护器提高安全性;主要应用于分散居民用电;

(TN-C-S系统)
(4)TN-S系统:PEN线在电源变压器处永久分为工作零线N和专用保护线PE,PE线不得断开,主线路可安装漏电保护器提高安全性能;此系统节约材料,布设同男简单,供电安全性高,是国家强制要求建筑工地必须采用的供电形式,tn是什么意思呢。

(TN-S系统)
(5)实际上,TN-C-S系统是在TN-C系统上变通的作法。当三相电力套内变压器工作接地情况良好,三相负载比较平衡时,TN-C-S系统在施工用电实践中效果还是不错的。但是,在三相负载不平衡,建筑施工工地有专用的电力变压器时,必须采用TN-S方式供电系统。
-
- 验孕棒c区一条杠是什么意思(秀儿验孕棒c区一条杠是什么意思)
-
2023-05-22 17:34:30
-
- 耄耋之年的意思(60花甲70古稀80耄耋90是什么)
-
2023-05-22 17:32:24
-
- 孕期吃什么补钙(孕期吃什么补钙铁锌)
-
2023-05-22 17:30:18
-
- t和p是什么意思
-
2023-05-22 17:28:12
-
- 香甜的什么(香甜的什么填合适的词语一年级下册)
-
2023-05-22 17:26:06
-
- usb是什么(usb是什么接口)
-
2023-05-22 17:24:00
-
- 脉冲星是什么(脉冲星是什么意思)
-
2023-05-22 17:21:55
-
- 有什么鱼(有什么鱼吃鱼屎)
-
2023-05-22 17:19:49
-
- NPY什么意思(npy什么意思网络用语)
-
2023-05-22 17:17:43
-
- 温州有什么区
-
2023-05-22 14:38:04
-
- 除数等于什么公式
-
2023-05-22 14:35:59
-
- 什么魂什么魄
-
2023-05-22 14:33:54
-
- 会计属于什么类(会计属于什么类型的职业)
-
2023-05-22 14:31:50
-
- elf什么意思(elk什么意思)
-
2023-05-22 14:29:45
-
- 三伏天拔罐好吗(三伏天拔罐有什么好处)
-
2023-05-22 14:27:40
-
- 核舟记作者(核舟记作者字什么)
-
2023-05-22 14:25:35
-
- 什么是内能(内能的概念)
-
2023-05-22 14:23:30
-
- 布谷鸟是什么鸟(布谷鸟是什么鸟孵化的?)
-
2023-05-22 14:21:25
-
- 午时三刻是什么时间(午时三刻是什么时间?)
-
2023-05-22 14:19:21
-
- 五光十色的什么(二年级语文五光十色的什么)
-
2023-05-22 05:54:40



云南本地人为什么不会被骗到缅甸(看看真实的缅北)
中国一线男装10大品牌(盘点国内十大知名男装品牌排行榜)